PRODUCTS CENTER
Multi-point unloading hoist
The main components of this new type hoist are Z-shaped, C-shaped, mixed, and horizontal. They have the same working principle and characteristics. They are all used for horizontal-vertical-horizontal conveying of powder, granular and small block materials. . Its compact structure, small footprint, large lifting height, good sealing performance, no damage to materials. The driving power is small, energy saving, environmental protection, and easy to maintain.
- Commodity name: Multi-point unloading hoist
- Commodity ID: cp2004
- Description
-
Low power consumption, energy saving and environmental protection type, can realize multi-point feeding and unloading
It is suitable for conveying grains, seeds, food, chemicals, medicines and other particles and dust-packed materials.
The new type of bucket elevator uses the unloading device to rotate the hopper during unloading. When the rest of the running part is conveyed in parallel or vertically, the hopper always feeds upwards (the natural downward action of gravity), and the chain drives the hopper to close. Material is conveyed in the shell. It can be combined horizontally, vertically and horizontally. Single-point or multi-point feeding can be used, and single-point or multi-point unloading can be accomplished through the unloading device. Fully enclosed, no leakage, no pollution. It is suitable for conveying various powdery materials and granular materials, and it is best to convey non-sticky materials. The biggest advantage of this equipment is its flexible composition, low operating resistance, low drive power consumption, and basically zero damage to materials. Using this equipment can improve the quality of grain drying and increase the economic benefits of grain purchasing and storage units, especially in the Northeast Grain drying tower to dry granary is upgraded for use. This machine adopts PLC control and frequency conversion speed regulation to realize intelligent unattended operation and greatly save manpower.
The main components of this new type hoist are Z-shaped, C-shaped, mixed, and horizontal. They have the same working principle and characteristics. They are all used for horizontal-vertical-horizontal conveying of powder, granular and small block materials. . Its compact structure, small footprint, large lifting height, good sealing performance, no damage to materials. The driving power is small, energy saving, environmental protection, and easy to maintain.
The whole machine is explosion-proof, built-in forced ventilation system, automatic hopper cleaning system, and automatic refueling system.
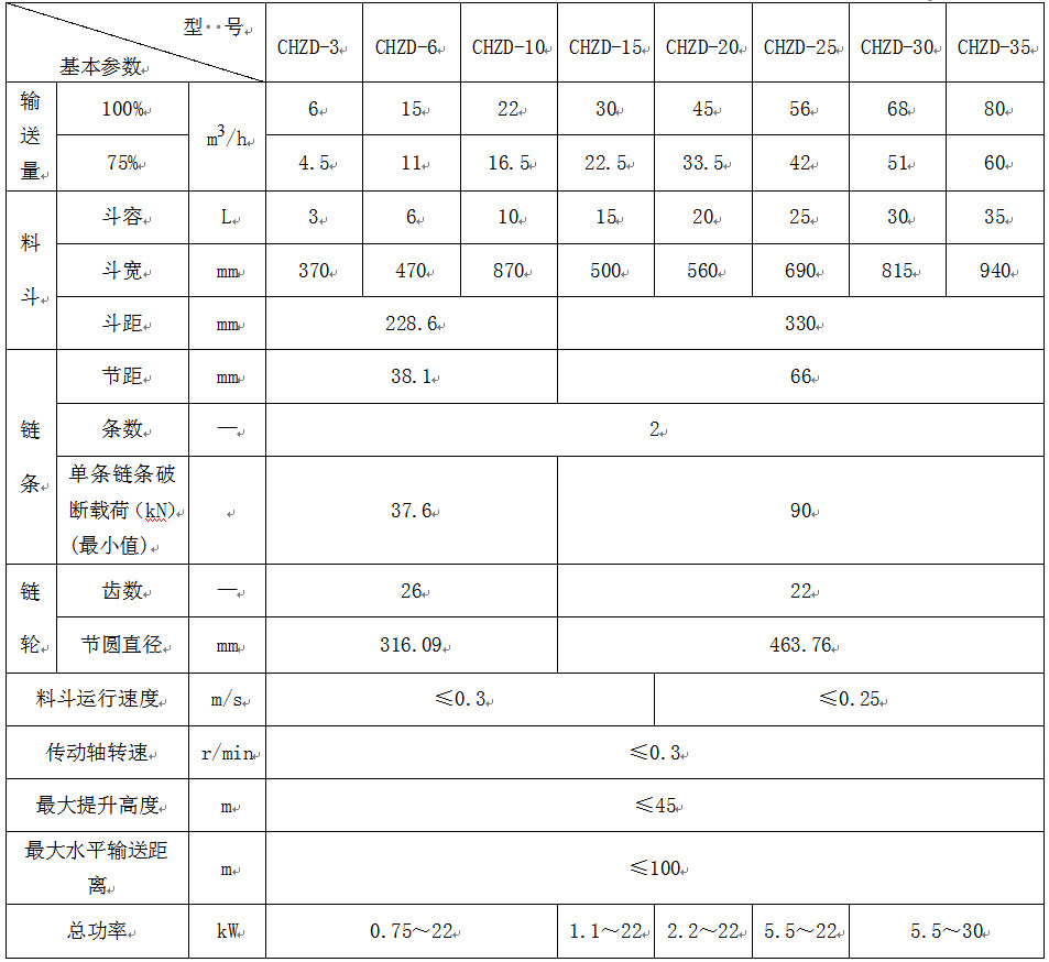
The lifting capacity of the machine is 3-100m3/h
The longest conveying distance of a single bucket elevator (Z-shaped elevator and C-shaped elevator):
It can reach 100 meters horizontally and 60 meters vertically. According to users.

Get Quote
Note: Please leave your email and our professionals will contact you as soon as possible!
Related products